

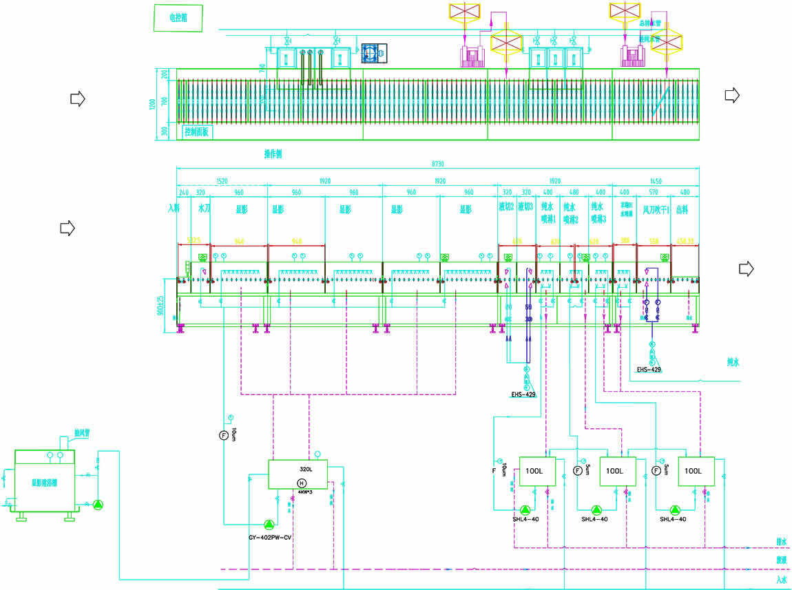
显影机规格:
02.基板输送方向:至右向左(正对工作面)
03.滚轮间距:70~80mm
04.输送室宽度:370mm
05.工作高度:900mm±25mm
06.机体结构:
材 质:PVC(透明板)
厚 度:10~12t/mm.
07.桶槽结构:
材 质:PVC(透明板)12t/mm
最高容许操作温度
08.输送滚轮:装配UPEψ35导轮式输送。
材 质:UPE
规 格:ψ12mm
09.传动齿轮:螺旋齿轮13T UPE(从)/PVDF(主)
10.传 动 轴:
材 质: SUS304
规 格:ψ16mm半月型
11.传动马达:无刷马达(台湾臺邦)
12.电 源:380V±10V,50Hz,AC三相,22KW
13.排 风 量:30M3/MIN
排风布置在机体上侧,线槽布置在机体后侧上方
14.纯水用量:15L/MIN
15.被传动轴:
材 质: SUS304
规 格:Φ12MM
16.传输滚轮:所有输送滚轮为机加工而成
规 格:Φ12×36MM
17.循 环 管:锚牌
18.整机控 制:人机界面和PLC控制,具有省水、省电、堵板 报警、计数功能,液箱设有低液位停机保护功能
19.电器元件:日本、法国,台湾等名牌产品
20.喷 嘴:PP型塑料喷嘴
21.泵 浦:世博,南元泵
22.风 泵:台湾产品
23.总进水管规格:DG25(外径为Φ32MM)
24.总排水管规格:DG80(外径为Φ90MM)
25. 排气管规格:DG150(外径为Φ160MM)